Transmission
I have a 2000 chevy 1500 that I just swapped out the tranny with a rebuilt one and now I have no power to the tranny. Can't find any broken or loose wires and all the fuses seem to be fine. Everything worked fine before thetranny swap
Ya I pulled every fuse in the whole truck and under the hood and checked them. What is the fuse labeled? I'll try replacing it but they all looked good and even checked them with a volt meter to make sure there was power on both sides
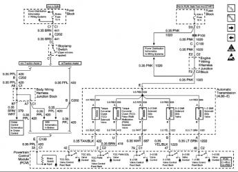
It's the fuse labeled "IGN 0" in the fuse block on the driver's side of the dash. See the diagram in my previous post.
If that's not it, then you may have a connector disconnected or you're just aren't getting power to the fuse. I replaced the harness inside the tranny but forgot to reconnect the outside harness to the tranny. When I went to start the truck for the first after putting back together, I got 6 or 7 tranny electrical codes immediately. Connected the harness, cleared the codes, and no problem since.
Good luck and post what you find out.
If that's not it, then you may have a connector disconnected or you're just aren't getting power to the fuse. I replaced the harness inside the tranny but forgot to reconnect the outside harness to the tranny. When I went to start the truck for the first after putting back together, I got 6 or 7 tranny electrical codes immediately. Connected the harness, cleared the codes, and no problem since.
Good luck and post what you find out.
If all your connections are good and you have 12 volt power to the IGN 0 fuse, you should have power to the tranny.
So back to your original question:
How do you know you don't have power to the tranny?
You tested for power at the tranny connector and you don't get 12 volts on pin E?
Are you getting any transmission codes?
If you aren't getting power at the tranny, you should be getting all kinds of codes in the P07xx series.
What's happening that makes you believe you don't have power to the tranny?
The tranny won't shift?
I guess a few more details are needed to help you out a little better.
So back to your original question:
How do you know you don't have power to the tranny?
You tested for power at the tranny connector and you don't get 12 volts on pin E?
Are you getting any transmission codes?
If you aren't getting power at the tranny, you should be getting all kinds of codes in the P07xx series.
What's happening that makes you believe you don't have power to the tranny?
The tranny won't shift?
I guess a few more details are needed to help you out a little better.
I agree...more info is needed....heres a question...did you put a used tranny in it? if so are you sure it worked when you got it? I think it has 2 connectors on it.....pull the connector again and check for power....then start tracing the harness backwards testing for power along the way.
Thanks for the help but I figured it out finally. There was a little rock jammed in the pins of the plug on the passenger side of the tranny and it wasn't connecting all the way. Three hours later with alot of swearing finally got the rock out and everything works great now.
Thanks for the help but I figured it out finally. There was a little rock jammed in the pins of the plug on the passenger side of the tranny and it wasn't connecting all the way. Three hours later with alot of swearing finally got the rock out and everything works great now.


