Code P5040 Unknown Fault
Are you sure about that code? Or, do you mean P0540 or P0504?
You can enter your code at the site below for some details.
DTCsearch.com - Search Engine for OBD-II Diagnostic Trouble Codes (DTCs)
You can enter your code at the site below for some details.
DTCsearch.com - Search Engine for OBD-II Diagnostic Trouble Codes (DTCs)
This code sets for a mis-matched signal between the TCC brake switch and the cruise control release signal circuit. One says the brakes are applied while the other says they aren't. This can be a from a bad brake switch or a short in one of the two circuits.
Do your brake lights work? Cruise control working? Do you have an aftermarket trailer brake controller installed?
Here's a link to another forum where this code is discussed. Post #13 has a diagnostic chart to troubleshoot the problem.
Do your brake lights work? Cruise control working? Do you have an aftermarket trailer brake controller installed?
Here's a link to another forum where this code is discussed. Post #13 has a diagnostic chart to troubleshoot the problem.
Given it's been throwing the code before the brake controller was installed, I'd guess your brake switch is the problem or you have a short in either the TCC or cruise control circuits going to the brake switch.
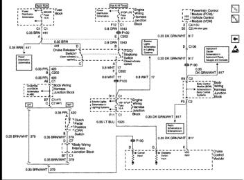
The brake switch includes these two circuits and the brake light circuit that turns your brake lights on when you press the brake pedal.
The attached brake switch ciruit diagram is for my 2000 Silvy. I'm not sure it's the same for yours but it may help. When the brake is not applied the cruise control circuit is normally closed and the TCC circuit is normally open. When you press the brake pedal, the cruise control circuit is closed and the TCC circuit is open. The code is telling you that one of these circuits is in conflict with one of these conditions.
The brake switch includes these two circuits and the brake light circuit that turns your brake lights on when you press the brake pedal.
The attached brake switch ciruit diagram is for my 2000 Silvy. I'm not sure it's the same for yours but it may help. When the brake is not applied the cruise control circuit is normally closed and the TCC circuit is normally open. When you press the brake pedal, the cruise control circuit is closed and the TCC circuit is open. The code is telling you that one of these circuits is in conflict with one of these conditions.
Thread
Thread Starter
Forum
Replies
Last Post




