2000 Silverado Stock Radio Resets
The stock radio in my 2000 Silverado randomly resets itself to one o'clock. It happens even when it sits overnight without the key in the ignition.
In the mornings (not everytime) I'll start the truck and notice the time is some random time but not the correct time. I'm guessing that it's the time since it resets itself to one o'clock. It does it just sitting there doing nothing. My channel presets don't change at all.
Tonight I started the truck and after a few seconds I heard a click from behind/under the IP cluster area like a relay switching posts. The radio went to one o'clock and it shut off.
Anyone know what could be causing this? I'm getting fed up reprogramming the time all the time. There are two fuses to the radio and they are good. The RAP fuse is good as well. Is it the RAP relay maybe?
Any help is appreciated.
In the mornings (not everytime) I'll start the truck and notice the time is some random time but not the correct time. I'm guessing that it's the time since it resets itself to one o'clock. It does it just sitting there doing nothing. My channel presets don't change at all.
Tonight I started the truck and after a few seconds I heard a click from behind/under the IP cluster area like a relay switching posts. The radio went to one o'clock and it shut off.
Anyone know what could be causing this? I'm getting fed up reprogramming the time all the time. There are two fuses to the radio and they are good. The RAP fuse is good as well. Is it the RAP relay maybe?
Any help is appreciated.
I came across a truck that was doing that and believe it or not the starter was drawing so much power it was making the radio reset. How does you starter sound? Is there any drag to it at all?
That is strange. I'd never thought it could be the starter. I would think that it would only do that when you started the truck. It happens intermittently, even overnight while it sits. There's no pattern to predict when it will happen.
I haven't noticed any starter dragging but I wasn't paying attention to that very much either. I'll check that out and the voltage drop today.
Thanks for the help.
I haven't noticed any starter dragging but I wasn't paying attention to that very much either. I'll check that out and the voltage drop today.
Thanks for the help.
Well, checked out the starter and battery last night but everything checked out or looked good. No starter drag at all. Starts right up. Checked grounds and cleaned the battery terminals also.
Strange thing is that the radio reseting problem never happened yesterday at all. That's the first time in two weeks it hasn't occured everyday. It may have fixed itself with me cleaning/tightening everything. We'll see I guess.
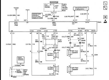
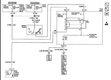
Based on the attached diagrams, I can narrow things down to the RAP, instrument panel, ignition switch, or head unit where the root problem potentially lies. Or, down to the battery and power circuits but I'm not having any problems with other systems. Somewhere, power to the radio's "keep alive" voltage is interrupted momentarily similar to disconnecting the battery. I'm simply hoping it's something easy, cheap, or simple and not the head unit.
Strange thing is that the radio reseting problem never happened yesterday at all. That's the first time in two weeks it hasn't occured everyday. It may have fixed itself with me cleaning/tightening everything. We'll see I guess.
Based on the attached diagrams, I can narrow things down to the RAP, instrument panel, ignition switch, or head unit where the root problem potentially lies. Or, down to the battery and power circuits but I'm not having any problems with other systems. Somewhere, power to the radio's "keep alive" voltage is interrupted momentarily similar to disconnecting the battery. I'm simply hoping it's something easy, cheap, or simple and not the head unit.
All of this narrows my logic to a problem with circuit 340 or 1850 (ground circuit) on the radio. Somewhere I have an intermittent "open" in one of these two circuits that breaks the connection to the "keep alive" voltage. The problem could also be IN the head unit itself between these two circuits.
This weekend I'm going to dig into this problem more extensively. Other than the electrical diagrams, I can't find any diagnostics procedures related to this problem yet.
Been chasing this little gremlin since I last posted. I also had to leave town for a bit. Ironically I think I stumbled onto what's causing the problem while searching another forum concerning the Scangauge II.
Evidently others who've had this little device installed have been having the same issue I'm having. There's a simple fix to keep it from resetting the radio. This problem only happens if the Scangauge is plugged into the DLC and you disconnect the battery or completely lose power somehow. Otherwise, this is a really cool device to add to your dash.
So, if you have this happening to you, do this:
1. With key off, disconnect the Scangauge from the DLC.
2. Start the engine and let things settle in.
3. Reconnect the Scangauge to the DLC.
4. Complete Steps 1-3 if you ever disconnect the battery or lose power completely.
So far (last two weeks) after I followed the instructions, the radio hasn't reset. It's really strange and who would have thunk this device would do something like this. Thank goodness it wasn't something expensive to fix.
Evidently others who've had this little device installed have been having the same issue I'm having. There's a simple fix to keep it from resetting the radio. This problem only happens if the Scangauge is plugged into the DLC and you disconnect the battery or completely lose power somehow. Otherwise, this is a really cool device to add to your dash.
So, if you have this happening to you, do this:
1. With key off, disconnect the Scangauge from the DLC.
2. Start the engine and let things settle in.
3. Reconnect the Scangauge to the DLC.
4. Complete Steps 1-3 if you ever disconnect the battery or lose power completely.
So far (last two weeks) after I followed the instructions, the radio hasn't reset. It's really strange and who would have thunk this device would do something like this. Thank goodness it wasn't something expensive to fix.
Been chasing this little gremlin since I last posted. I also had to leave town for a bit. Ironically I think I stumbled onto what's causing the problem while searching another forum concerning the Scangauge II.
Evidently others who've had this little device installed have been having the same issue I'm having. There's a simple fix to keep it from resetting the radio. This problem only happens if the Scangauge is plugged into the DLC and you disconnect the battery or completely lose power somehow. Otherwise, this is a really cool device to add to your dash.
So, if you have this happening to you, do this:
1. With key off, disconnect the Scangauge from the DLC.
2. Start the engine and let things settle in.
3. Reconnect the Scangauge to the DLC.
4. Complete Steps 1-3 if you ever disconnect the battery or lose power completely.
So far (last two weeks) after I followed the instructions, the radio hasn't reset. It's really strange and who would have thunk this device would do something like this. Thank goodness it wasn't something expensive to fix.
Evidently others who've had this little device installed have been having the same issue I'm having. There's a simple fix to keep it from resetting the radio. This problem only happens if the Scangauge is plugged into the DLC and you disconnect the battery or completely lose power somehow. Otherwise, this is a really cool device to add to your dash.
So, if you have this happening to you, do this:
1. With key off, disconnect the Scangauge from the DLC.
2. Start the engine and let things settle in.
3. Reconnect the Scangauge to the DLC.
4. Complete Steps 1-3 if you ever disconnect the battery or lose power completely.
So far (last two weeks) after I followed the instructions, the radio hasn't reset. It's really strange and who would have thunk this device would do something like this. Thank goodness it wasn't something expensive to fix.
Thread
Thread Starter
Forum
Replies
Last Post




